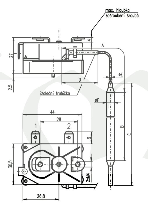
Jednopólová pojistka KNTP8812.02, pevně nastavená teplota vypnutí z rozsahu +35..+99°C,
nutno upřesnit požadovanou teplotu (nastavuje se ve výrobě),
uvedená cena je bez nastavení, za nastavení se připočítává +50Kč/ks při odběru nižším než 100ks současně.
Nejčastěji vyráběné hodnoty nastavených teplot +99°; +97°; +95°; +90°; +80°; +73°; +60°C ostatní jsou na zakázku (delší termín).
manuální znovuzapnutí-reset, po vybavení, tlačítkem v dolní části
