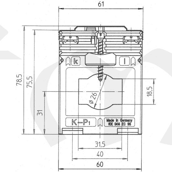
ASK 318.3, 100/5A; 1,5VA; 1%

Parametry výrobku:

Typ proudového transformátoru ASK 318.3
Primární proud trafa 100 A
Jedna pásovina 31x18 mm
Sekundární proud 5 A
Způsob přípoje, průměr nebo pás 26 mm
Třída přesnosti trafa 1 %
Výkon 1,5 VA
Nadproudové číslo 5
Kód výrobce 29047
Hmotnost trafa 0,25 kg
Odkazy Popis parametrů měřících transformátorů proudu
Nadproudové křivky chyb nízkonapěťových měřících transformátorů proudu a schéma zapojení
Ke stažení: Trafa_EXIMUS_MBS.pdf
Spotreba_vedeni_k_trafu.pdf
Cena: 544 Kč (bez DPH)
Cena: 659 Kč včetně DPH 21 %
Do košíku

Id: 2281,