Proudové transformátor pro měření stejnosměrných i střídavých primárních proudů v rozsahu 0 až 500 A. Vhodné pro měření nesinusových a zkreslených elektrických sítí nebo jako měřicí převodník pro přímé zapojení do vstupů PLC.
Uchycení transformátoru je možné provést pomocí upevňovacích patek, které jsou součástí dodávky, nebo speciální příchytkou na normalizovanou lištu DIN 35mm.
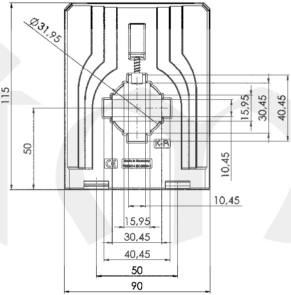
Pro upevnění primárních vodičů nebo pasů je možno použít rychloupínací příchytku CTB na objednávku.
Obecné vlastnosti:
- Primární jm. proud: 0...150 A AC/DC
- Primární vodič průměr: max 31,58 mm
- Primární pas: 40 x 10 mm
- Kmitočtový rozsah: 0..100kHz
- Proudový výstup pro AC primární proudy: 0…20 mA Ieff, (± 28,2843 mA IPeak)
- Proudový výstup pro DC primární proudy: 0…± 20 mA
- Max. odpor zátěže proudového výstupu: RB ≤ 200 ohm (UH = 24 V DC)
- Omezení výstupního signálu při přetížení: < 25mA
- Přesnost: ± 0,5%
- Max. provozní napětí Um: 0,72 kV, Ueff
- Zkušební izolační napětí: 6,4 kV, Ueff, 50 Hz, 5 sek.
- Pomocné napětí: ± 12V DC, ± 15 %, < 70 mA, jištění pojistkou 100 mA / 250 V, (F)
- Doba odezvy (90% IPN, di/dt = 100 A / us): ≤ 200 ms (typ. 150 ms)
- Rychlost nárustu signálu di/dt: < 100 A / µs
- Třída izolace: E
- Stupeň krytí: IP 20
- Max. teplota primárního vodiče: 100°C
- Rozsah provozních teplot: -25°C až +60°C; vlhkost 0...95%
- Rozsah skladovacích teplot: -40°C až +90°C
